FM recently made changes to the ratings calculator within RoofNav and their Loss Prevention Data Sheets to reflect their partial adoption of ASCE 7-16. The key difference being that FM did not adopt the wind maps utilized by ASCE 7-16 and the 2018 International Building Code. Because of this intentional omission, it is important that the FM wind maps (and not the ASCE 7016 wind maps) are used when inputting the wind speed to obtain the correct wind pressures and wind uplift ratings needed when using FM’s RoofNav ratings calculator. In addition, uplift pressures should also be calculated per the applicable building code requirements for the project. Out of an abundance of caution, it is suggested the more conservative of the two calculated design pressures should be used. If the jurisdiction of the project uses 2012/2015 International Building Code, ASCE 7-10 would be used to determine uplift pressures. If the applicable jurisdiction adopted the 2018 International Building Code, the calculation would be completed using ASCE 7-16.
If you are certain the project is not ever going to be FM insured, it is suggested you should not use the FM RoofNav ratings calculator to determine uplift pressures, as those values could provide pressures greater or lesser than what the building code requires. Of course, with all things design related, it is recommended that you first consult with the designer of record regarding these kinds of calculations to confirm the applicable standard.
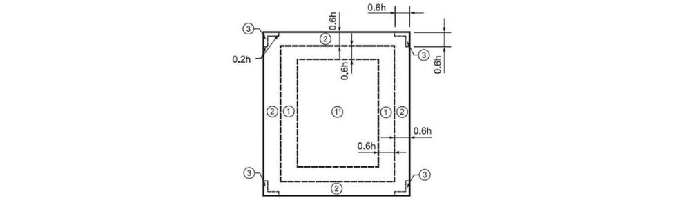
The FM ratings calculator provides a layout of the building based on roof slope and building dimensions (height, length and width). For buildings that have the least horizontal dimension greater than 2.4h and a roof slope less than 1.5 inches per foot, a roof layout as depicted below would be applicable.

With the criteria above, roof slope less than 1.5 inches and a building width greater than 2.4h, the project would now have four Zones. 1’ (prime), 1, 2, and 3. If the building has a three foot or greater parapet, Zone 3 may be treated as Zone 2. Loss Prevention Data Sheet 1-28 “Wind Design” provides the background on the math in calculating the pressures as well as the wind maps.
EXAMPLE CALCULATION USING ASCE 7-16:
Building has a roof slope of ½ inch per foot, building height of 40’, width 100’ and length of 200’ with no parapet.
h = 40
Zone 3 would be .2h x .6h; 0.2(40) x 0.6(40), 8ft width x 24 ft length.
Zone 2 would be .6h (40) = 24 ft.
Zone 1 would be .6h (40) = 24 ft
Zone 1’ would be the remainder if anything, (in this example it would be 4’ x 104’).
Higher wind pressures/wind uplift ratings should be expected using the ratings calculator. The external pressure coefficients have increased in ASCE 7-16:

FM Loss Prevention Data Sheet 1-29, “Roof Deck Securement and Above-Deck Roof Components”, will still allow for prescriptive enhancements as referenced in section 2.2.10.1.2.
2.2.10.1.2 Use prescriptive enhancements for Zone 2 and Zone 3 (for all deck types) where roof covers are adhered to some combination of insulation or cover board as long as one of the following conditions applies:
A. The recommended Zone 1 rating needed per DS 1-28 in any location does not exceed Class 1-90 (3.6 kPa), or
B. The building is in a non-tropical cyclone-prone region (see Appendix A) and the recommended Zone 1 rating per DS 1-28 does not exceed Class 1-105 (4.3 kPa).
2.2.10.1.2.1 For either of the above conditions, increase the securement over the FM Approved Zone 1 rating as follows:
A. For assemblies using insulation fasteners, enhance the fastening as follows:
- Increase the number of fasteners per board by 50% minimum in Zone 2, but at least one fastener per 2 ft2 (1 per 0.19 m2 ). It is not necessary to install fasteners closer than one per 1 ft2 (1 per 0.09 m2
- Install one fastener per 1 ft2 (1 per 0.09 m2 ) in Zone 3.
- Round up to the next whole number of fasteners, if necessary
B. For components adhered with adhesives applied in ribbons, spots, etc., reduce the spacing between ribbons or spots over the FM Approved spacing for the given wind rating as noted below (round down to a dimension that is practical with respect to board sizes, applicators, etc.):
- In Zone 2, not more than 67% of the Zone 1 spacing between rows, or area
- In Zone 3, not more than 50% of the Zone 1 spacing between rows, or area.
Note: If the FM Approval wind rating already meets the higher criteria for Zone 2 or Zone 3, no further reduction is needed in those areas.
EXAMPLE: A particular roof cover proposed in a non-tropical cyclone-prone region and requiring a 90 psf (4.3 kPa) wind rating has an FM Approval wind rating adequate for Zone 1 and is adhered to the substrate immediately below (cover board or insulation) with an adhesive in ribbons at 1 ft (0.3 m) on center in Zone 1. Zone 2 would need a ribbon spacing of maximum 8 in. (200 mm) and Zone 3 would need a ribbon spacing of maximum 6 in. (150 mm) on-center. Note: the spacing was rounded down for practicality.
The RoofNav assemblies have not changed and FM is still utilizing a safety factor of 2. It may be more beneficial to provide several RoofNav numbers for a project to address each Zone. If this cannot be done it may be necessary to use the prescriptive enhancement options for Zones 2 and 3. As before, if prescriptive enhancements are used per LPDS 1-29, the deck securement will also need additional securement. The Loss Prevention Data Sheets may be found in RoofNav at www.roofnav.com under reference materials. Please don’t hesitate to contact your Technical Services Specialist with additional questions about this new standard.
The information contained in this article is for educational purposes only and is not a substitute for design or engineering services; JM recommends consultation with a design professional for project-specific questions.